Systém 2000
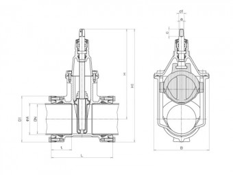
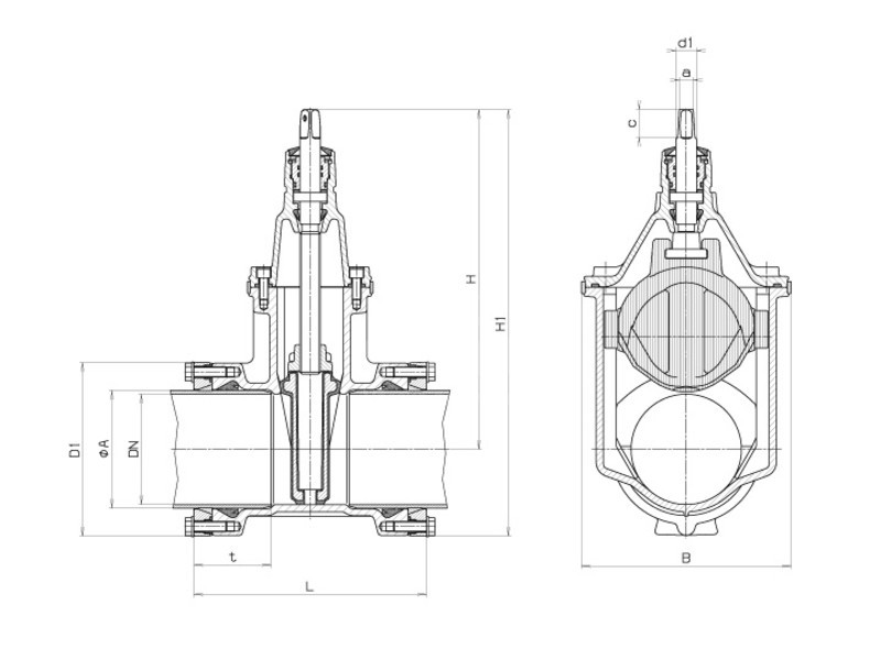
Tabuľka rozmerov
* pre získanie presných cien prosím vložte produkt do košíka a odošlite prostredníctvom neho žiadosť o cenovú ponuku.
Špecifikácia produktu
| Dodávateľ: | HAWLE |
| Kategória: | Systém 2000 |
| Rozmery: | viď tabuľka |
Produktové súbory
Popis
Mäkko tesniaci klinový posúvač s hladkým a voľným prietokovým kanálom nástrčnými hrdlami pre potrubie z PE a PVC dokonale istený proti posunu
- možnosť najjednoduchšieho dodatočného vybavenia ukazovateľom polohy a motorovým pohonom na štandardný horný diel
- jedna zemná súprava pre viac dimenzií
- s ohľadom na zaťaženie optimalizované vedenie klina z oteruvzdorného plastu zaručuje minimálne opotrebenie a minimálne uzatváracie momenty, (posúvač je svojou novou konštrukciou predurčený k častému používaniu pri veľkom rozdiele tlaku v PN 16)
- 100% spôsobilé pre servopohony
- veľkorysé predimenzovanie dĺžky závitu v matici klina požadované EN 1171 (návrh) dovoľuje vysoké zaťaženie krútiacim momentom
- O-krúžok zo všetkých strán uložený v nehrdzavejúcom materiáli (podľa DIN 3574-T1)
- vymeniteľné O-krúžky do DN 200 pod tlakom (podľa DIN 7259) do DN 250 v beztlakovom stave
- Tesnosť potrubia je dosiahnutá pomocou tesnenia s chlopňami
- Zasunutie konca rúry do hrdla je pri odpovedajúcom skosení možné bez prílišnej telesnej námahy
- Istenie proti posunu pôsobí nezávisle na utesnení potrubia a dosahuje sa dotiahnutím upínacích krúžkov
- Pri tenkostenných potrubiach z PE (do 3 mm hrúbky steny) a podtlakových rozvodoch je predpísané použitie rozperného púzdra
Materiály a konštrukčné charakteristiky:
- vrchný diel, teleso a upínacie krúžky z tvárnej liatiny EN-GJS-400-18 podľa EN 1563 (GGG 400-DIN 1693) vo vnútri aj zvonka s epoxidovou ochrannou vrstvou
- vreteno z nehrdz. ocele 1.4021 s valcovaným závitom
- klin z tvárnej liatiny vo vnútri aj zvonka navulkanizovaným EPDM umožňuje vypúšťanie vody z vrchnej časti posúvača
| Objednávacie číslo | Varianta | Dimenzia | Hmotnosť NETTO | Jednotka |
|---|---|---|---|---|
| 404005006316 | Posúvač E2 s hrdlami S2000 | 50/63 | 9,65 kg | ks |
| 404006507516 | Posúvač E2 s hrdlami S2000 | 65/75 | 14,3 kg | ks |
| 404008009016 | Posúvač E2 s hrdlami S2000 | 80/90 | 16,3 kg | ks |
| 404010011016 | Posúvač E2 s hrdlami S2000 | 100/110 | 20,44 kg | ks |
| 404010012516 | Posúvač E2 s hrdlami S2000 | 100/125 | 22,05 kg | ks |
| 404012512516 | Posúvač E2 s hrdlami S2000 | 125/125 | 32 kg | ks |
| 404012514016 | Posúvač E2 s hrdlami S2000 | 125/140 | 33 kg | ks |
| 404015016016 | Posúvač E2 s hrdlami S2000 | 150/160 | 39,23 kg | ks |
| 404015018016 | Posúvač E2 s hrdlami S2000 | 150/180 | 43,65 kg | ks |
| 404020020016 | Posúvač E2 s hrdlami S2000 | 200/200 | 65 kg | ks |
| 404020022516 | Posúvač E2 s hrdlami S2000 | 200/225 | 70 kg | ks |
| 404025025016 | Posúvač E2 s hrdlami S2000 | 250/250 | 104 kg | ks |
| 404025028016 | Posúvač E2 s hrdlami S2000 | 250/280 | 111 kg | ks |
| 404030031516 | Posúvač E2 s hrdlami S2000 | 300/315 | 168 kg | ks |
Potrubia
Tvarovky
Liatinové tvarovky
Armatúry
Hydranty
Šachty a nádrže
Poklopy
Čerpadlá
Rôzne
Potrubia
Tvarovky
Armatúry
Šachty
Poklopy a mreže
Liatinové poklopy
Poklopy kompozitné a plastové
Čerpadlá
Rôzne
GEBO
Priemyselné armatúry
Priemyselné potrubné rozvody
Spojky
Vpusty
Odvodňovacie žľaby
Závlaha
Hurner
Tag
