Vario tvarovky
Tabuľka rozmerov
* pre získanie presných cien prosím vložte produkt do košíka a odošlite prostredníctvom neho žiadosť o cenovú ponuku.
Špecifikácia produktu
| Dodávateľ: | HAWLE |
| Kategória: | Vario tvarovky |
| Rozmery: | viď tabuľka |
Produktové súbory
Popis
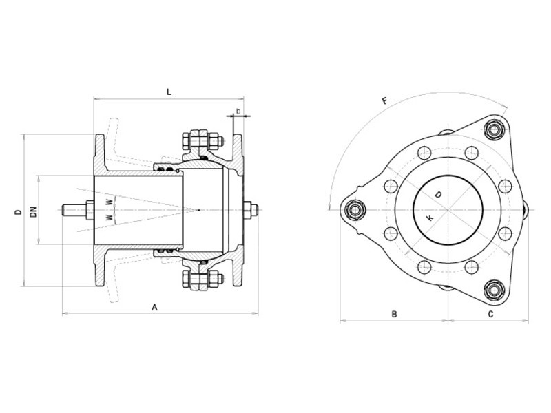
- Vario je prírubová teleskopická tvarovka s integrovaným nástrčným spojom Balland, ktorá umožňuje ohýbanie na všetky strany až do uhlového priehybu 10 stupňov.
- Veľkosť príruby podľa EN 1092-2 | PN 16, vyvŕtané podľa EN 1092-2 | Štandard PN 10;
EN 1092-2 | PN 16 DN 200 špecifikujte v požiadavke
- iné normy na vyžiadanie - Menovitý tlak PN16
- Vyosenie max. 10°
- Pomocou svorníkov istené proti posunu
- Kombinuje funkciu FF-kusu, nastaviteľného oblúku a tvarovky a predĺženia
- Epoxidová protikorózna úprava podľa GSK
- Vario šetrí čas a má množstvo aplikačných možností
- Jednoduchá montáž
- Úspora nákladov vo všetkých smeroch
Tvarovka je určená na inštaláciu do starých i nových vodovodných sietí tam, kde je nutné vyosenie alebo nastavenie stavebnej dĺžky podľa aktuálneho stavu potrubia.
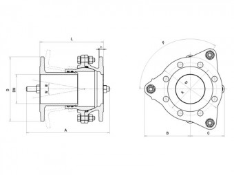
- PREVEDENIE: krátka stavebná dĺžka
Vario short version

Potrubia
Tvarovky
Liatinové tvarovky
Armatúry
Hydranty
Šachty a nádrže
Poklopy
Čerpadlá
Rôzne
Potrubia
Tvarovky
Armatúry
Šachty
Poklopy a mreže
Liatinové poklopy
Poklopy kompozitné a plastové
Čerpadlá
Rôzne
GEBO
Priemyselné armatúry
Priemyselné potrubné rozvody
Spojky
Vpusty
Odvodňovacie žľaby
Závlaha
Hurner
Tag